博尔芯
产品
订购资源
关于我们
Open main menu
主页
产品
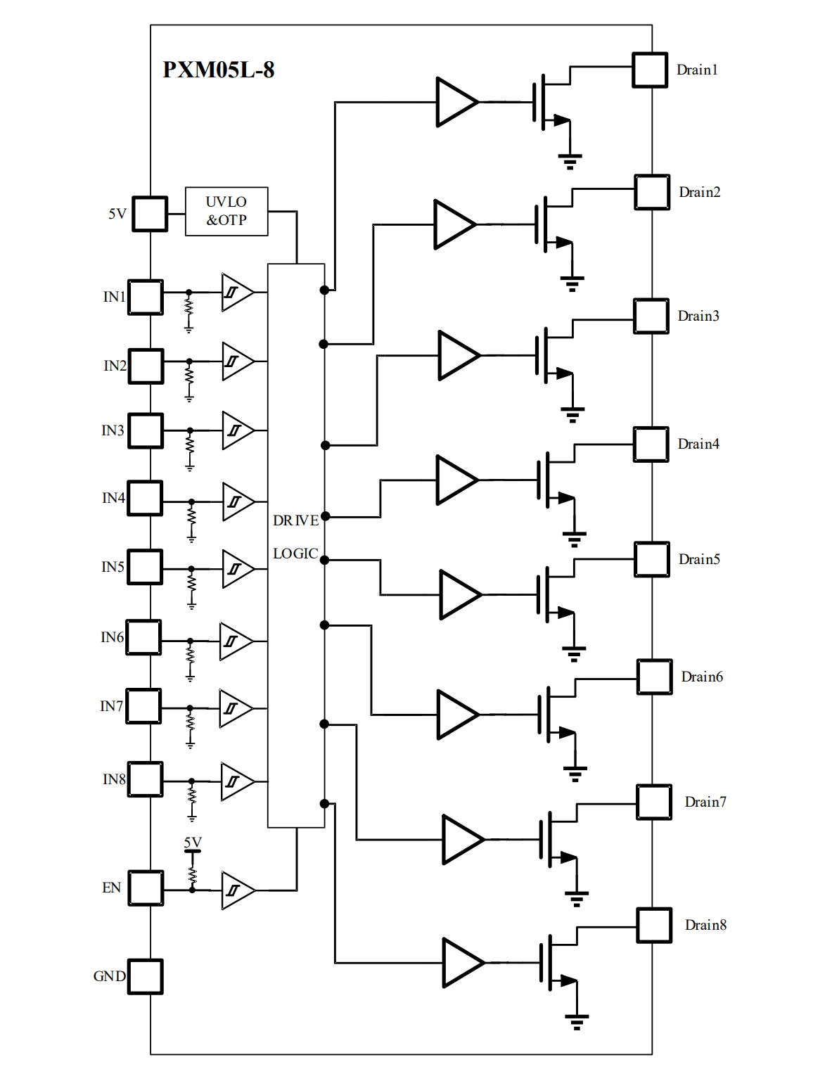
激光雷达发射驱动芯片
PXM05L-8
量产
High-Speed Eight-Channel Laser Driver IC : 30V, 20A
立即订购
数据手册
PXM05L-8_V1.5 PDF
产品详情
封装 | 引脚 | 尺寸
特性
应用
LGA
19
5.95 mm x 2.5 mm
封装 | 引脚 | 尺寸
特性
应用
Previous slide
Next slide